Tükendi
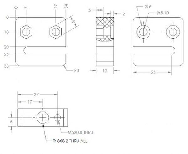
Gelince Haber VerT8 trapez dişli mil için 8mm t tipi-anti backlash (geri tepme önleyici) somundur. 4 start ve 2mm pitch trapez dişli millerle uyumludur. Start milin başlangıç noktasındaki çentik sayısıdır.
Bu ürün Trapez T8 8mm ile uyumludur.

NOT: Paket içeriğinde mil bulunmamaktadır.